Archive
A journey of a thousand miles starts with a single step.
After 2 months of pushing and frustration we finally have a project that is under way. Not bad considering the the Contractor was given notice to proceed in Oct 12. The past few weeks have given me yet more insight in to the world of contract management and the ways in which contractors can try to extort money from seemingly watertight documents.
3 weeks ago during the Contrator’s biweekly (fortnightly) meeting it was announced that the Government (us) was sitting on over 53 late submittals (30 days old or over). This seemed a little high so on returning to the office we all checked the register and the Contractor was right. My mentor was on course, so taking the initiative I started tracking down the outstanding submittals with the design contractor. They had not received any of these documents and some were now key to the project ever getting of the ground and I am not just talking about the scaffolding proposal. On going to my mentor’s cubicle I discovered 95% of the documents under his desk where he had not finished sending them on. The situation sounds a lot simpler than the reality. Although some were actually just very late in being processed (from December!) there had actually been a change in the procedure in early Mar 13. The contractor had been instructed to change all submittals to electronic formats to be sent to USACE and the design contractors simultaneously to help save time and money rather than send us the big bundles of paper and documents sent previously. Parts of these documents were sent electronically but the drawings had not because it was assumed by the contractor they had already been sent on by USACE as hard copies. In an afternoon I was able to identify all the missing documents and FEDEXed them on to the design contractor for comment. It was typical that the District Engineer had flown up from South Carolina that day and had to see all this but he was reassured that there was more to the slow progress than just the late submittals so we got away with that one. The quality of the Risk Assessments from the Contractor continues to be poor and there is still a big question on how the drainage in the 90ft High Bay area is ever going to get installed as there is no room for any form of elevating platform. Going through the roof would actually be good option!
As part of our CPD, Ben, Matt and me were taken by the head of Baltimore Construction Department to the Washington Aqueduct. During the Civil war a project to divert some of the Potomac in to DC to provide a pressurised water source to down own areas was devised. An aqueduct was created that sent water right in to town with pressure high enough to power the 60ft fountain outside the Capitol building. The design has been refined over the years and now provides the potable water supply for DC, Arlington and two counties in Virginia. We visited the purification plant that was designed in the early 1900’s. The process is the same as those we learned about but now the site is fully automated and larger than the original concept. It was interesting to see how the far the automation had gone – the whole system was monitored by two technicians – and there are extensive on site labs for checking water purity and biological contamination.

Holding ponds – 4 of them (with geese)
Main plant pumps
We have also had the Chief Instructor and Senior Instructor over for their visit. This was another good opportunity for us all to see Ben’s site in Fort Detrick, my site and Baltimore HQ as well as present to the PEW staff on our experiences and reaffirm that the US option is a great opportunity for future PET courses.
Meanwhile back on site work has finally started. As of last Thursday two men are installing the conduit necessary to install the 24ft Big Ass Fans TM (That is the brand name not the nick name).
A Big Ass Fan TM
This is a huge psychological break through as up to now we were convinced this project might never start. In a meeting with the client on the same day I put forward my value engineering proposal to the Client that the contractor should be able to use a roof lift that allows access to all the roof levels in the building without interfering with operations, as opposed to installing scaffolding stairs that will go 100ft up to the top level and be in place for 2 years. As expected I met resistance because of “legal reasons” but when pressed on what these were the answers were not convincing. “What if they damage it or break it – we become liable” was the main argument so I suggested a waiver or on site agreement could over ride this concern. Although not convinced the Client is prepared to let me investigate as he can see there is cost saving to be made. I am in consultation with the legal department as we speak. I also suggested we look at siphonic roof drainage for future projects. This was the basis of my TMR and is able to reduce the cost of roof drainage (and the size of pipes etc) by over 40%. The Client was very interested in this and is keen to get this looked at on the new warehouse buildings going up on site. He suggested this system should also be introduced to the whole of USACE! And to cap off a good week the Contractor was served a Letter of Concern stating that the progress is unsatisfactory and that they are due an interim grade of unsatisfactory for their progress to date. As expected the reply was trying to blame us for all the issues but we have enough paperwork to prove otherwise.
And in other news:
We have just survived our first near tornado. The Government alerts all went off telling us to get in the basement (typically the kids had just gone to sleep!) and we watched as the radar picture on TV showed a direct path of a potential twister to our district. Fortunately nothing happened but three twisters did touch down nearby. They were only small and apart from scaring some motorists, destroying a house garage and moving a car 6 feet, there was very little damage. Also I have taken Warrick to is first Monster Truck show. An interesting experience, not only for the trucks but also to see a gathering of the Red Neck Clans.
Road Kill Round Up:
3 deer
2.5 Racoons (the hot weather seems to be keeping them off the roads)
101 uses for the phrase “There you go” Pt 1– this is the Swiss Army Knife of East Coast phrases and covers a number of scenarios. It can be used to mean the following:
1. You have arrived at your destination
2. Here is the item you were looking for
3. I see where this conversation is leading
4. Well wasn’t that a fortunate out come
5. Now I understand
6. I think I know what you meant (but with some reservation)
7. This is what I did and look what happened
8. I think you have just answered your own question
9. Just like that
10. The job in hand is complete
11. I can tell that was really satisfying
12. That was the end of that
Until next time.
Abutments complete.
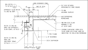
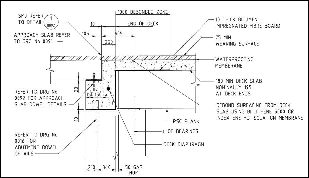
This week has seen more significant progress as we completed abutment B by thu and were able to strip the shutters on fri in time for the Queens Birthday long weekend which means no work on site until wed this week. The timings are now very tight to get the PSC beams in place over three days before we need to give the centre of the site over to the civil team to lay capping etc for rail to come through. Abutment A more than met the class 2 finish required and the as-built survey is all within tolerance except the position of the abutment dowels which I noticed when we were installing the dowels on abutment B. The stainless dowels are cast into the top of the abutment 210mm from the outer edge of the wall and 340mm from the centre of the wall, unfortunately the formworker placed the dowels with these measurements the other way around so that they are out of alignment by 130mm to far to the centre. As yet we haven’t raised an NCR as no one but myself has picked up on it but as it was my fault for not noticing when I did the pre-pour checks (a classic case of not seeing the wood through the trees) I informed the Project Engineer who’s repsonse at the moment is – we’ll have to cross that bridge when we come to it (I don’t think the pun was intentional!). The dowels connect the abutment to the diaphragm allowing lomgitudinal movement and then a further set of dowels are cast into the top of the diaphragm to the approach slab. I suspect we will place an NCR and RFI following the PSC beam installation as at the moment we don’t want anything to interfere with thoses dates. We have had minor surface concrete cracking of around 0.2mm on both abutments which we have had to submit NCR’s for but which are straight forward to rectify with a product called Megapoxy H. Although this is standard practice throughout the project for cracks that are out of the accepted tolerance (0.5mm post curing period and 0.1mm after 28 days) for us it still eats into time we don’t have waiting for repsonses to RFI’s and NCR’s in order to be ready to install the beams on wed morning.
As part of the AMS I have had to recce the route for the delivery of the beams and produce a Vehicle Management Plan for the drivers to aid the coordination of the trucks approaching and entering site. Eack beam is 18m in length and weighs 16T and will be delivered on extendable trucks. The access to site is not the best after the civil team have dug up various parts and placed piles of earth in odd places which means we have had to wider the route in places by ordering a few hundred tonnes of recycled balast to lay down. This has not been welcomed by the civil team who have told us we will have to make sure we get rid of it all ourselves as it is not the required spec for fill that they can use. This has been somewhat annoying as it is their job to provide the required access for everyone working in the area but as we can only really relay onourselves when we have a tight timeline we have eaten into our budget to make it happen. I have also been badgering the geotech to certify the crane pad where our 220T crane will sit. The outriggers sit on a 9m square area which is causing a few problems as although the ground in the centre is more than adequte towards the sides it becomes somewhat sloppy. I spent fri laying some more recycled balast down to all-weather the area in case we had rain over the weekend to the slight horror of the geotech engineer who would have rathered we left it as is. The ground is solid and there has been structural fill laid by the civil team but as we couldn’t get hold of a heavy roller we did the proof roll with a bogey (single truck) which comes in at 11T. We had the 55T crane still in the middle at the time so when they left and rolled over the crane pad the noticeable ruts it left didn’t fill me with agreat deal of confidence of a pass. Sure enough we have a re-show to do on wed morning by which time we have borrowed a heavy roller to properly compact the top layer.
We also managed to pour the outer bas slab of the final deflection wall and the wall part of the adjacent outer deflection wall which just leaves the wall of the recent slab pour and then all the inner wall segments that will be flush to the abutment walls. In order to proceed with those we need to alter the scaffolding once the beams are in place so that we can backfill the area up to the abutments. We comtemplated changing the programme again so that we moved straight onto the deck and diaphragms as the sub-contractor is now struggling for work. As this is the last structure to start and finish all the other strauctures are close to finishing with only FRP work required at Edmonson Park station. This has meant we have had a surge of manpower from them but the time needed to install the beams will mean they may go off onto other jobs leaving us short staffed for the reminder of the work as their priorities change. Construction work around Sydney is apparently not looking good (for them) so they have staretd to lay off alot of their personnel. In fact there only seems to be about 4 people left after the last cull which may mean I might have to get some concreteing qualifications pretty sharpish!






