Change!
Since my last blog about the Fort Indiantown Gap progress has been slow. This appears to be as a result of the difficulty from the contractor’s end both in meeting USACE’s various contractual requirements for personnel and an ill defined scope. Following a theme of designers not confirming what is currently in place prior to starting refit designs this had lead to a protracted series of RFIs. Finally to curb this laborious process this week I managed to get everybody into the same room, except for the designer who phoned in, and we managed to thrash through the details.
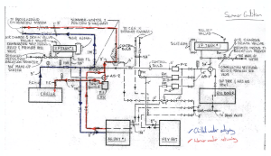
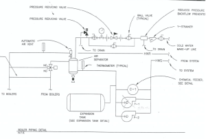
The issue has come down to the hot water distribution. The original system is shown below at Figure 1 with three separate pumps feeding individual systems. As the H&V unit was removed years ago the demand on P-3 has reduced from 52 to 0.75 Gallons per Minute (GPM). This means it is massively oversized but the designer had just replaced it, he had also labeled it as P-3 on the Boiler Detail (Figure 2) and connected it as if it was a stand-by pump: hence the contractor’s confusion!
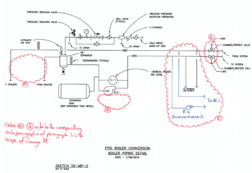
So as a result of our meeting the contractor and I came up with Figure 3, proof that pen and ink isn’t dead! The other clouds are described below in my contract modification.
‘The boiler piping detail shall be replaced with attached sketch MP-2. This modification includes the following:
a. Removal of the three-way valve (known as V-3) from the hot water return to the boiler as it is not required.
b. Removal of P-1 from the detail. Given that the majority of the load for P-3 (H&V unit that has been removed) no longer exists P-3 shall be removed and the remaining active load added to pump P-2. New total for pump P-2 shall be 111 GPM, the pressure drop will remain as currently scheduled given that the distribution system is the longest run.
c. Hot water piping serving CUH, located in the vestibule, and AC-1 shall be connected to the new hot water piping before the summer/winter change over valve such that it does not receive chilled water from the dual temperature side of the system.
d. Two automatic three-way two position valves are to be included as the summer/winter change over valves. These will switch between the hot water supply and return and the cold water supply and return respectively.’
So what?
This is proof to me that the PEW attachment process works, the original system was not designed to be constructed; instead it was treated as a paperwork exercise. This is probably reminiscent of a few Crosby design exercise submissions, however in my defence there wasn’t a building to walk around and design to.
Another valid idea might have been to increase the size of P-3 and turn it into a stand by pump, however the spare budget for this project is small and needs to be preserved for when problems start occurring in construction so we used the cost saving from this to ‘wash’ against the cost of the automated summer/winter changeover valves. Next stop for this modification is a few stamps from the hierarchy and then into negotiation which should be interesting.
Schedule
Another element of the meeting was to review some of the contractor’s submittals that required changing and this included the project schedule. Fig 4 shows my copy of their schedule prior to the meeting. It is probably difficult to see all the detail but the best part is where the contractor has claimed a value of $120,000 for boiler removal and $45,000 for insulation removal, bearing in mind this is a $500,000 contract. The boiler removal will require skilled personnel and some Materials Handling Equipment (MHE), but the insulation removal will just be Spr Crosby with a knife and a bin; so $4,000 and $1,000 might have been more appropriate. When confronted as to why the project manager, without a hint of shame, said: ‘That’s frontloading.’ I’m not sure whether Steve Payne would be proud or ashamed of him but, needless to say those figures will be adjusted.
Looking further into the actual scheduling issues there is little structure which has caused issues. There is a requirement to maintain continuous domestic hot water throughout the project and space is, as ever, tight. It appears to me that no attempt at a Product Breakdown Structure (PBS) and Work Breakdown Structure (WBS) was made which would have aided sequencing of this job.
Signs
The only work that has actually happened on site is the erection of the project signs as shown in figure 5 This also shows a lamppost, and a High Voltage (HV) Ring Main Unit in the background. The consequence of locating the project sign so close to the lamppost and HV Ring Main Unit could have resulted in death as a result of cable strike when digging the postholes. Fortunately, no one was injured in the erection of the sign. As well as the potential outcome for the contractor’s employee erecting the sign, contractor has also not asked for permission to dig. Therefore I took the action of writing a warning letter in order to warn the contractor’s senior management of the error. Also, as this was the first actual work on site, the letter catalogues the error so that, in case further H&S violations are witnessed, there is evidence to remove them from the site.





Henry, has anyone reviewed the condition of the distribution pipe work and the valves? I would be interested to know a bit more about the inspection regime and how it catalogues the need for the replacement of worn out components within the systems for which the USACE is responsible.
Jim,
My hunch is not, and I have not found any material showing the initial scope of the project which has been scaled down a number of times to fit into the budget assigned. I will dig a little deeper with the client as USACE isn’t responsible for the ongoing maintenance of this facility.
One area of risk I have noticed, probably because it was more obvious to the eye, was where the system ties into AC-1 (shown at figure 1). Here we are due to replace everything boiler side of a valve for both the supply and return (and the same for the chilled water). The valves are not currently included but I doubt the will survive the demolition and so will need replacing. That is being held back as a modification at the moment.
Henry, I will latch onto the second part of your blog – signs. After some actual disasters recently regarding burried cables, our permit to dig system is now being followed far more thoroughly than previously. Although initially the process of issuing a permit to dig or hot works permit seemed somewhat of a paperwork exercise, I now very much see the benefit and agree that it is a good way of enforcing safety which also achieves quality. Laing O’Rourke don’t employ a warning system as you describe but the idea of being straight early on seems sound.
Henry, with regards to your comment about PBS and WBS, we have had a new planner arrive on site. One of the things he highlighted was that he could find neither for our project, further more when he began interrogating the program he had been handed over he found that a lot of the items where not linked, making it pretty useless as a planning tool. Luckily this is unlikely to result in any LD’s from the client because he also found that the separable portions (SP’s) in the contract have no definitions – for example SP1 which is in November this year simply says Greenhouse 1 and 2.
With regards to underground services – we have just issued the subcontract for the underground services on site. We have asked VDH to provide as builts for the piping they have already installed, who promptly sent back the IFC designs. Useful – especially when they haven’t even finished their scope of works.
Damo,
I believe, although haven’t had to look into it in detail yet, that USACE’s process for getting rid of a contractor would resemble that of getting rid of a soldier: long and requiring meticulous paperwork. to that end I have attacked it early in case it is required I assume LOR will have a little more freedom of movement to punish at short notice if required.
Matt,
I assume to save money on bids people don’t bother doing PBS and WBS and then just continue to bodge the system from there to ‘save time’, ending up in exactly the pickle you and I are in. What does LD mean?
Liquidated damages.
So we have been credited $770 off the contract. Not a fortune but certainly better than the ususal result of a change for a client. Ironically though I have been informed that it will actually cost USACE more than $770 to process the claim if it is still there at the end of the project. I am pretty confident there isn’t a ruler’s chance in a John Moran classroom of that happening though so that will save the finance department that heartache!