Archive
Gloucester the building not the place
Introduction
Whilst working on HPC has been interesting, there is a limited amount to learn from the experience so I have negotiated severing my involvement in the project. I have recently been working on an electrical study for a security clearance “building” located in Gloucester.
This building has critical equipment and therefore employs an Uninterruptable Power Supply (UPS) to guarantee the power supply to the data load and the cooling plant for the equipment. Unfortunately there was an electrical fault (exact cause are unknown) which caused a fire – damaging the UPS system and a distribution boards. The building is still operational utilising the UPS bypass as a temporary solution.
Replacing the damaged system, presents the client with an opportunity to increase the capacity of the building, therefore Atkins have been employed to conduct an electrical study.
A site investigation by the DV cleared electrical lead, gathered a snapshot of the electrical loads and the maximum recorded kW for each system.
Electrical Supply
Transformer 1 (TX1) – 11kV/400V rated at 800kVA
Transformer 2 (TX2) – 11kV/400V rated at 800kVA
3x Combined Cooling, Heat and Power Load (CCH) – 310kVA (N+1 configuration therefore 2 in use and 1 as backup)
Reflection
Designing a system from the start is straight forward because the designer can use design loads of the equipment and make assumptions based on justification. Making recommendations on replacing equipment without the design loads of the equipment or data of the electrical demand profile is a difficult situation. Using the maximum recorded loads identifies the worst case scenario, however combining all of these maximum will significantly reduce the extra capacity for expansion. Whilst using the electrical loads from the survey provides a more realistic figure but the survey could have been conducted during a low demand period. Therefore all the recommendations made by Atkins are caveated by “the recommendation for energy data loggers to be installed for a month to give an indication of the current kW on the system to confirm suitability prior to installation of a new load”.
It comes back to T/C/Q. The client Interserve want a quick solution – the UPS is a critical part of the system therefore its quick replacement is essential. Whilst Atkins focus on a quality product in the hope of winning more work off the back and building their reputation/relationships with the Client.
Spare capacity
Using the electrical demand provides the following spare capacities:-
TX1 –427kVA (53%)
TX2 –264kVA (33%)
2x CCHP –239kVA (38%)
It is important to understand the system operation before making recommendations on expansion. In the event of total failure of the CCHP, the load would be switched to the TX2 and the UPS would provide the supply during the transition. Therefore the potential increase of the data load by 239KVA supplied by the CCHP will limit the potential capacity of TX2.
TX1 –427kVA (53%)
TX2 –25kVA (3%)
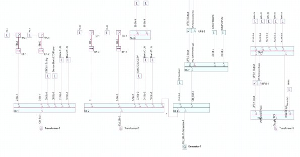
Further Analysis
I am currently modelling the building in AMTECH (similar to Hevacomp) see picture below, in order to conduct further analysis on increasing the electrical demand and the potential limitation due to current carrying capacity of the sub-main cables and potential changes to fault protection.
